AI机器视觉硬件之工业相机

Source

视觉硬件之工业相机

一、工业相机介绍

1、工业相机

工业相机是机器视觉系统中的一个关键组件,其最本质的功能就是将光信号转变成有序的电信号。选择合适的相机也是机器视觉系统设计中的重要环节,相机的选择不仅直接决定所采集到的图像分辨率、图像质量等,同时也与整个系统的运行模式直接相关。

2、工业相机分类

  • 按图像传感器区分

图像传感器(Image Sensor) ,是一种将光学图像转换成电子信号的设备,是组成数字摄像头的重要组成部分,可分为CCD(电荷耦合元件)和CMOS(互补金属氧化物半导体元件)两大类。

Sensor是一个由N行及M列感光单元(Pixel)组成的矩阵,Sensor基本工作原理:当光子撞击到硅原子上时,会产生自由电子,再将这些自由电子收集在一起形成信号。

  • CCD 相机:使用 CCD 感光芯片为图像传感器的相机,集光电转换及电荷存贮、电荷转移、信号读取于一体,是典型的固体成像器件。如左图所示。

  • CMOS 相机:使用 CMOS 感光芯片为图像传感器的相机,将光敏元阵列、图像信号放大器、信号读取电路、模数转换电路、图像信号处理器及控制器集成在一块芯片上,还具有局部像素的编程随机访问的优点。如右图所示。

  • 按颜色区分

  • 单色相机(黑白相机):输出图像为单色图像的相机。(灰度值)

  • 彩色相机(可以转换成黑白):输出图像为彩色图像的相机。

在这里插入图片描述
在这里插入图片描述

黑白相机与彩色相机区别:

  • 黑白相机的图片无法转换成彩色图片,但是彩色相机可以转换出黑白图片(通过视觉模块进

行转换)

  • 黑白相机拍摄的图片轮廓更清晰,更有利于检测

  • 同规格的彩色相机和黑白相机速度上,黑白相机更快,彩色相机拍一张的时间,黑白相机可

以拍三张

  • 价格方面基本一致

  • 黑白相机的光源适用性更好,可以采用彩色光源

  • 按输出信号区分

  • 模拟信号相机:从传感器中传出的信号,被转换成模拟电压信号,即普通视频信号后再传到图像采集卡中。

  • 数字信号相机:信号自传感器中的像素输出后,在相机内部直接数字化并输出。数字相机又包含 1394 相机、USB 相机、Gige 相机、CameraLink 相机等
    在这里插入图片描述
    在这里插入图片描述
    在这里插入图片描述

  • 按取图类型区分

  • 面扫描相机(面阵、普通):传感器上像素呈面状分布的相机,其所成图像为二维“面”图像。

  • 线扫描相机(线阵或线扫):传感器上呈线状(一行或三行)分布的相机,其所成图像为一维“线”图像。(适用于回转体的外观,细长且连绵,比如布匹)
    在这里插入图片描述
    在这里插入图片描述

3、主要参数

相机的参数主要有传感器类型、快门方式、像元尺寸、靶面尺寸、分辨率、最大帧率、接口类型

型号说明

  • 图像传感器

图像传感器是一种将光学图像转换成电子信号的设备,是组成数字摄像头的重要组成部分,可分为CCD(电荷耦合元件)和 CMOS(互补金属氧化物半导体元件)两大类。 Sensor 是一个由 N 行及 M 列感光单元(Pixel)组成的矩阵,Sensor基本工作原理:当光子撞击到硅原子上时,会产生自由电子,再将这些自由电子收集在一起形成信号

性能对比

  • 快门方式

相机总共有全局快门(动态)和卷帘式快门(静态)两种。

全局快门(Global Shutter)是让整幅图片在同一时间曝光,Sensor所有像素点同时收集光线,同时曝光,最终将曝光图像转成电子图像。所有像素在同一时刻曝光,类似于将运动物体冻结了,适合拍摄快速运动的物体。CCD和CMOS都支持 Global Shutter;全局曝光的相机由于在曝光时整个图像芯片一起曝光,因此当物体运动时,可以由全局曝光相机对其进行动态拍摄。

卷帘快门(Rolling Shutter)是Sensor通过逐行曝光的方式实现图像采集,在曝光开始的时候,Sensor逐行扫描逐行进行曝光,直至所有像素点都被曝光,不适合运动物体的拍摄。CMOS支持Rolling Shutter ,CCD不支持。卷帘快门的相机在拍摄运动中的物体,图像会由于传感器不同行曝光时间不一样而产生图像失真,拖影

  • 像元尺寸

像元尺寸即一个像元的大小。像元大小和像元数(分辨率)共同决定了相机靶面的大小。

像元是反映影像特征的重要标志。是同时具有空间特征和波谱特征的数据元。几何意义是其数据值确定所代表的地面面积。物理意义是其波谱变量代表该像元内在某一特定波段中波谱响应的强度。即同一像元内的地物,只有一个共同灰度值。像元大小决定了数字影像的影像分辨率和信息量。像元小,影像分辨率高,信息量大;反之,影像分辨率低,信息量小。

  • 靶面尺寸

就是 CCD 尺寸,CCD 尺寸一般用英寸来表示,1/2 就是二分之一英寸,是对角线尺寸。

1 英寸换算成毫米是 16mm,而不是通常的 25.4mm。

举例:像元尺寸 3.75umx3.75um,

摄像机分辨率 1280x960,可以计算 CCD 尺寸:

3.75umx1280=4.8mm,

3.75umx960=3.6mm,

靶面尺寸为 1/3" 。

分辨率

相机每次采集图像的像素点数(Pixels)。

例如:MV-CA013-20GM的分辨率为1280x1024,相机为130万的黑白相机,

1280x1024=1310720=131.0720万

注意:这里会有个精度的概念

相机的最小单位是像素,有客户会问精度

精度 = 视野大小(项目需求) / 分辨率(相机)

比如:客户拍摄的视野大小为10mm * 7.5mm,相机采用1200万像素 4000*3000

计算精度:宽度精度10/4000≈0.0025mm(2.5μm) 高度精度7.5/3000≈0.0025mm(2.5μm)

  • 最大帧率/行频

相机采集传输图像的速率,对于面阵相机一般为每秒采集的帧数(Frames/Sec.),即每秒采集多少张图像,对于线阵相机为每秒采集的行数(Lines/Sec.)。这往往和传感器芯片和数据输出接口带宽有关。根据项目需求,对于拍摄运动物体,建议选取高帧率相机,具体帧率数要根据拍摄精度来确定。

  • 相机接口数据传输

二、相机选型方法

工业相机是机器视觉系统中的⼀个关键组件,其最本质的功能就是将光信号转变成有序的电信号。选择合适的相机也是机器视觉系统设计中的重要环节,相机的选择不仅直接决定所采集到的图像分辨率、图像质量等,同时也与整个系统的运行模式直接相关。

  • 确定黑白/彩色:

如果对颜色有检测需求(如线序颜色检测)或检测只能通过颜色判断需选择彩色,否则一般情况均选择黑白相机。

  • 确定卷帘/全局快门

如果实际检测为动态,即产品在运动过程中拍照检测(如传送带上料),则需要选择全局快门的相机;如果实际检测为静态,即产品在静态时拍照检测(如人工摆放到固定位置进行检测),则可以选择卷帘快门的相机。

  • 确定分辨率大小:

产品检测需求为尺寸或者定位,有精度要求,可通过精度与检测视野面积进行计算得出需要的分辨率

如果产品无精度要求,则优先可以考虑低像素的相机,如果成像或测试时,被测部分模糊不清楚,需要高分辨率的相机来提高成像,则再选择高分辨率的相机

  • 确定帧率

一般高速的动态检测速度可达到一秒10个以上,针对此种检测需求可以选择高帧率的相机(相机帧率为60fps表示1秒可以拍60张),一般情况下像素越低帧率越高。

视觉测量精度与其他参数的关系:

理论精度(单像素精度)=实际拍摄视野÷像素

  • 例如相机CU060-10GC(30722048),拍摄视野120mm80mm。

则理论精度=120/3072=80/2048≈0.039mm,代表一个像素点等于0.039mm(如果更换镜头或相机高度,则拍摄视野会变化,精度也随之改变)。

  • 例如相机CU060-10GC(30722048),拍摄视野为30mm20mm。

则理论精度=30/3072=20/2048≈0.0098mm,代表一个像素点等于0.0098mm。

  • 例如相机CS200-10GC(54723648),拍摄视野120mm80mm。

则理论精度=120/5472=80/3648≈0.022mm,代表一个像素点等于0.022mm。

所以精度不够可以缩小视野或者换高像素的相机。

以上均为理论精度,在实际检测中,精度受很多因素影响:

例如实际精度=视觉精度+工作台稳定性+产品本身精度(例如车削、铣削的产品精度高于铸造,产品毛刺、平整度都会影响检测精度)

分辨率计算

定位、测量用3倍精度,被测物尺寸要加入视场冗余尺寸,每个方向至少加5mm。

实际应用举例:被测工件尺寸20mm*40mm,要求检测精度0.1mm动态定位,计算应该选用多少分辨率的相机?

我们要做的拍摄视野是30*50,我们要做的精度0.03mm

相机选型:算法判断需要3*单像素精度,单像素精度要求=0.1mm/3=0.03mm; 分辨率要求:30mm/0.03mm=1000(短边),50mm/0.03mm=1666(长边)

分辨率要求大于16661000 且全局相机(动态),可选择:19201200分辨率,选择相机:200万,2/3”靶面

选型测试

  • 检测一个 25mm*15mm 的零件,需要达到 0.08mm 的精度,动态检测,需要选用哪个像素的相机比较合适。

实际所需视野35mm*25mm,精度0.08/3=0.026mm

长边像素=35/0.026≈1346

短边像素=25/0.026≈961

常见的全局相机(动态)有:CA013-A0GM(12801024)、CS050-10GM(24482048)、

CH120-10GM(4096*3000)

所以选择CS050-10GM

  • 检测一个 300mm*200mm 的零件,需要达到 0.25mm 的精度,静态检测,需要选用哪个型号的相机比较合适。

实际所需视野310mm*210mm,精度0.25/3=0.083mm

长边像素=310/0.083≈3734

短边像素=210/0.083≈2530

常见的卷帘相机(静态)有:CS060-10GM(30722048)、CU120-10GM(40243036)、CS200-

10GM(5472*3648)

所以选择CU120-10GM

  • 检测一个 100mm*80mm 的零件,需要达到 0.14mm 的精度,动态检测,需要选用哪个型号的相机比较合适。

实际所需视野110mm*90mm,精度0.14/3=0.046mm

长边像素=110/0.046≈2391

短边像素=90/0.046≈1956

常见的全局相机(动态)有:CA013-A0GM(12801024)、CS050-10GM(24482048)、

CH120-10GM(4096*3000)

所以选择CS050-10GM

常见的全局相机(动态)有:CA013-A0GM(12801024)、CS050-10GM(24482048)、

CH120-10GM(4096*3000)

常见的卷帘相机(静态)有:CU060-10GM(30722048)、CU120-10GM(40243036)、

CS200-10GM(5472*3648)

三、工业相机的驱动连接

  • 相机硬件接口介绍

  • PWR状态灯

在这里插入图片描述
在这里插入图片描述

  • 常规工业相机电源线介绍

  • 功能线介绍

  • 连线实施

曝光和增益

曝光时间:数值越大,亮度越高,拖影越严重,画面越卡顿,不适合动态物体的检测

增益:数值越大,亮度越高,噪点越多,不利于缺陷和尺寸检测

参数建议:动态检测建议高增益,低曝光。静态检测尺寸、缺陷建议高曝光,低增益。优先建议调整外部光源或者镜头光圈。

动态无拖影最大曝光计算公式:

例如动态相机CS050-10GM(24482048),拍摄视野100mm84mm。传送带运动速度1秒移动100mm

则理论精度=100/2448=84/2048≈0.041mm。

最大曝光时间=理论精度/速度=0.041/100=0.00041s=410us(MVS中曝光单位为us)

如果此时曝光设置为820us,则拖影为两个像素点,曝光为1230us,则拖影为三个像素点,以此类推。

扩展

自动白平衡,只针对彩色相机,相机下放一张白纸,拍摄出来的会发青,那么我需要开启连续白平衡,画面就会变成白色,然后在关闭白平衡即可。

四、相机IO设置

1、触发模式

相机的触发模式分为内触发模式以及外触发模式 2 种。具体工作原理以及对应参数如表 2-3,参数设置如图所示。

内部触发就是软件触发,通过软件可以直接触发拍照。

外部触发就是外部接线控制触发拍照,例如按钮控制拍照、plc 控制拍照、光学感应器控制拍照。

如果是内部触发,IO输入中触发模式选择关闭,触发源选择软触发

如果是外部触发,IO输入中触发模式选择打开,触发源选择线路0

2、硬触发软件设置

用硬触发控制拍照时,触发模式选择打开,触发源选择线路 0。

触发极性分为上升沿、下降沿、高电平、低电平四种

3、触发抖动过滤

外触发信号给到相机时可能存在毛刺,如果直接进入到相机内部可能会造成误触发,此时可以对触发信号进行去抖处理。该功能通过数字IO控制 属性下的 线路防抖时间 参数设置,单位为 μs,范围为 0~1000000,即 0~1s。参数设置如图左所示。当设置的 防抖时间大于触发信号的时间时,则该触发信号被忽略,时序如右图所示

在这里插入图片描述
在这里插入图片描述

连线实施

如下图是相机 I/O 的简易接线,继电器(开关)闭合时,二号线输入+12V,硬触发拍照。

当有信号输出时,即四号线输出一个低电平,+12V 和 4 号线会输出一个 12V的电压。例如+12V 和 4号线分别接 12V 警示灯或者蜂鸣器的正极和负极,当 Line1(四号线)有输出时,警示灯就会亮,蜂鸣器就会响。

五号线必须和六号线一起接相机电源的负极,否则无法硬触发拍照以及无法信号输出

4、输出连接

相机触发输出信号为开关信号,可用于控制报警灯、光源、PLC 等外部设备。触发输出信号可通过电平

反转和 频闪输出 信号 2 种方式实现。通过 Digital IO Control 属性设置相关参数。

触发输出信号的电平反转通过 线路翻转 参数是否启用进行设置,默认不启用,如左图所示

在这里插入图片描述
在这里插入图片描述

Line 1 的最大输出电流为 25 mA。

5、频闪输出信号

频闪输出信号可使相机在事件源发生时,直接输出信号给到外部设备。

频闪输出信号的事件源通过 线路源 参数进行设置。当事件源发生时,会生成 1 个事件信息,此时相机会同步输出 1 个 频闪 信号。频闪 信号是否启用通过 输出使能参数进行设置,如左图所示
在这里插入图片描述
在这里插入图片描述

同时 频闪输出 信号还可以设置持续时间、输出延迟。

频闪输出 信号为高电平有效,信号输出的持续时间可通过输出线路持续时间参数进行设 置,单位为μs,

如左图所示。

以频闪输出信号的线路源选择相机曝光开始有效为例,当相机开始曝光时,频闪 立即输出。

当 输出线路持续时间 参数值为 0 时,频闪 高电平延续时间等于曝光时间;

当 输出线路持续时间 值为非 0 时,频闪高电平延续时间等于 输出线路持续时间

值,时序如图所示

相机可对 频闪输出信号设置输出延迟,以满足在某些场景下,外部设备需要延迟响应的应用需求。信号

输出的延迟时间可通过 输出线路延迟 参数进行设置,单位为 μs,范围为 0~10000,即 0~10 ms。相关

参数如左图所示

在这里插入图片描述
在这里插入图片描述

以 频闪输出 信号的线路源选择相机开始曝光为例,当相机开始曝光时,频闪 输出并没有立即生效,而

是根据输出线路延迟设置的值延迟输出,时序如右图所示

6、光耦继电器

光耦继电器属于固态继电器,一般电磁继电器靠电流通过线圈使铁芯变成有磁性的磁铁吸合衔铁,从而使相关的触点动作控制负载的通断,而光耦继电器没有触点,其工作原理与光耦有点类似。

光电耦合器是一种在一个封装中结合了发光二极管(LED)和光电检测器的设备。与其他光学设备不同,光不会发射到包装外部。外观类似于非光学半导体器件的外观。尽管光耦合器是一种光学设备,但它不处理光,但处理电信号。

  • 隔离作用,如信号隔离或光电的隔离,

  • 比普通光耦驱动能力强,可以用来控制各种负载例如(微小模拟信号的切换、电磁继电器、电灯、发光二极管、加热器、马达、电磁吸筒等)。

在这里插入图片描述
在这里插入图片描述

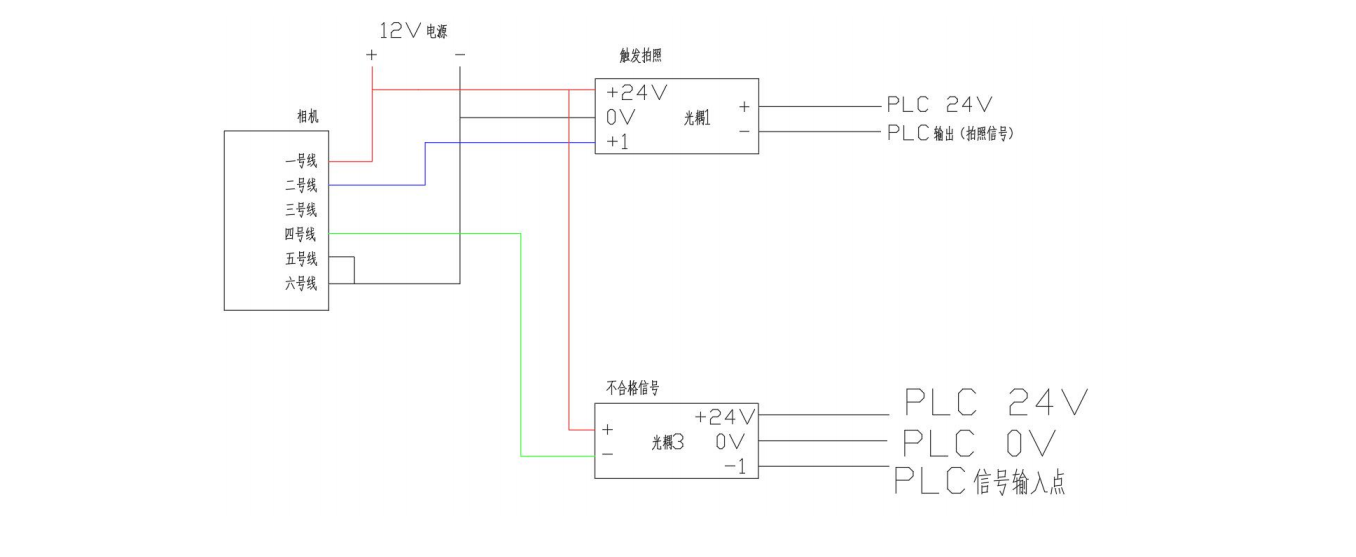
7、PLC触发拍照和输出的硬件连接

8、PLC触发拍照和输出的硬件连接

五、线扫相机

1、什么是线扫相机

对于这些视野很宽精度要求很高,或者细长型的连续的这类被测物,传统面阵相机的方案较难实现。

一种特殊的相机,它与普通的面阵相机的传感器拍摄一幅画面图像不同,它的传感器每次只采集一行或数行(彩色)图像。

2、线扫和面阵区别

3、线阵相机应用场景